下列说法不符合物理学史实的是( )。
如图所示,一物体在粗糙水平地面上受斜向上的恒定拉力
作用而做匀速直线运动,下列说法正确的是( )。

一只弹性小球从某高处由静止释放,与水平地面碰撞后反弹回头。下面是四个同学作出作出的小球
图像,正确的是( )。




在研究微型电动机的性能时,应用如图所示的实验电路。当调节滑动变阻器
并控制电动机停止转动时,电流表和电压表的示数分别为
和
。重新调节
并使电动机恢复正常运转,此时电流表和电压表的示数分别为
和
,则电动机的正常运转时的输出功率是( )。

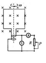
如图所示电路,电阻为
的
匝矩形线圈面积为
,在磁感强度为
的匀强磁场中,绕垂直磁场的轴以角速度
匀速转动。
时刻线圈平面与磁场垂直,各电表均为理想交流电表,则( )。

下滑时,电压表的读数不变
增大时,感应电动势的最大值也增大
的过程中,流过电阻
的电量为
2016年8月16日1时40分,中国将世界首颗量子科学实验卫星“墨子号”发射升空,将成为全球第一个实现卫星和地面之间量子通信的国家。“墨子号”卫星在距离地面的高度约为
的轨道上绕地球做匀速圆周运动,关子“墨子号”下列说法中正确的是( )。
如图甲所示,在升降机的顶部安装了一个能够显示拉力的传感器,传感器下方挂上一轻质弹簧,弹簧下端挂一质量为m的小球,若升降机在匀速运行过程中突然停止,并以此时为零时刻,在后面一段时间内传感器显示弹簧弹力F随时间t变化的图象如图乙所示,g为重力加速度,则( )。

时间内小球处于失重状态
时间内小球处于超重状态一个内壁光滑的圆锥筒的轴线竖直,圆锥固定,有质量相同的两个小球A和B贴着筒的内壁在水平面内做匀速圆周运动,如图所示,A的半径较大,则( )。

一带正电粒子仅在电场力作用下从A点经B、C运动到D点,其
图像如图,下列说法正确的是( )。

如图所示,游标卡尺的示数为______cm;螺旋测微器的示数为______mm。


图示装置探究加速度于力、质量的关系。

(1)下列操作正确的是_____
A.调节滑轮的高度,使拉小车的细线与长木板保持平行
B.实验时,先放开小车再接通打点计时器的电源
C.小车撞击到滑轮后立即关闭电源
D.增减小车上的砝码后不需要重新调节木板的倾角
(2)若砂和砂桶的质量为
,小车和砝码的质量为
,此实验_______(“需要”或“不需要”)满足
的条件。
(3)某同学利用图示装置,将小车更换为木块,在长木板保持水平的情况下,测定木板与木板间的动摩擦因数
,某次试验中砂和砂桶的质量为
,木块的质量为
,利用纸带测出的加速度为
,力传感器的读数为
,重力加速度为
,则
______(试用上述字母表示)
为测定一节新干电池的电动势和内阻(约为),配备的器材有:
电流表
(量程为
)
电压表
(量程为
,内阻为
滑动变阻器
(
,
)
电阻箱
(
)
定值电阻
某实验小组设计了如图所示的电路


(1)实验中将电压表量程扩大为
,电阻箱
的取值应为______
;电路中电阻
的目的除了对电路起保护作用外,还起__________的作用;
(2)利用上述实验电路进行实验,测出多组改装后的电压表读数
与对应的电流表读数
,利用
的图象如图所示,由图象可知电源的电动势
___
,内阻
___
(结果保留两位有效数字)
一辆汽车从
点由静止开始做匀加速直线运动,已知在
内经过相距
的
、
两点,汽车经过
点时的速度为
,如图示:

求:
(1)汽车经过
点的速度大小;
(2)汽车运动的加速度大小;
(3)
点与出发点
间的距离。
如图示,水平地面与一半径为
的竖直光滑圆弧轨道相接于
点,轨道上的
点位置处于圆心
的正下方,距地面高度为
的水平平台边缘上的
点,质量为
的小球以
的速度水平飞出,小球在空中运动至
点时,恰好沿圆弧轨道在该点的切线方向滑入轨道。小球运动过程中空气阻力不计,重力加速度为
。

试求:
(1)
点与抛出点
正下方的水平距离
;
(2)圆弧
段所对的圆心角
;
(3)小球滑到
点时,对轨道的压力。
如图示,足够长光滑导轨倾斜放置,导轨平面与水平面夹角
,导轨间距
,其下端连接一个定值电阻
,导轨电阻不计。两导轨间存在垂直于导轨平面向下的匀强磁场,磁感应强度
,一质量为
,电阻
的导体棒
垂直于导轨放置,现将导体棒由静止释放,取重力加速度
,
,
。
求:
(1)导体棒下滑的最大速度;
(2)导体棒从静止加速到的过程中,若通过
的电量
,求电阻
上产生的热量
。

如图示,真空中有以
为圆心,半径为
的圆形匀强磁场区域,磁场的磁感应强度大小为
,方向垂直于纸面向里,在
的虚线上方足够大的范围内,有水平向左的匀强电场,电场强度的大小为
,现在有一质子从
点沿与
轴正方向斜向下成
方向(如图示)射入磁场,经过一段时间后由
点(图中未标出)穿过
轴。已知质子在磁场中做匀速圆周运动的半径为
,质子的电荷量为
,质量为
,不计重力。

求:
(1)质子运动的初速度大小;
(2)
点的坐标;
(3)质子由点
运动到点
所用时间。
