类比就是由两个对象的某些相同或相似的性质,推断它们在其他性质上也有可能相同或相似的一种推理形式。下列类比错误的是( )。
如图所示,将小砝码放在桌面上的薄纸板上,若砝码和纸板的质量分别为M和m,各接触面间的动摩擦因数均为μ,砝码到纸板左端的距离和到桌面右端的距离均为d。现用水平向右的恒定拉力F拉动纸板,下列说法正确的是( )。



,砝码不会从桌面上掉下
时,砝码恰好到达桌面边缘如图,a是一束由两种不同频率的可见光组成的复色光,射向三棱镜,折射后分为两束b和c,则下列说法正确的是( )。

如图所示,一固定的水平玻璃圆环均匀带上电荷,其中心O的正上方和正下方分别有两点A、B,0A=OB=h。现将一质量为m的带正电小球放在A点时恰好处于静止状态,若给小球一个沿竖直向下的初速度
,重力加速度为g,则下列判断正确的是( )。


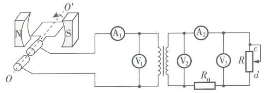
如图所示,有一矩形线圈的面积为S,匝数为N,内阻不计,绕
轴在水平方向的磁感应强度为B的匀强磁场中以角速度ω做匀速转动,从图示位置开始计时。矩形线圈通过滑环接一理想变压器原线圈,副线圈接有固定电阻
和滑动变阻器R,下列判断正确的是( )。


时间时,通过电流表的电荷量为0
和
示数都变小
示数不变,
和
示数都变小一列简谐横波沿x轴传播,t=1.2s时的波形如图所示,此时质点P在波峰,Q在平衡位置且向负方向运动,再过0.6s质点Q第一次到达波峰。下列说法正确的是( )。


如图甲所示,一轻弹簧的两端与质量分别为
和
的两物块A、B相连接,并静止在光滑的水平面上。现使A瞬时获得水平向右的速度3m/s,以此刻为计时起点,两物块的速度随时间变化的规律如图乙所示,从图像信息可得( )。

、
时刻两物块达到共同速度1m/s,且弹簧都是处于压缩状态
到
时刻弹簧由压缩状态恢复到原长
:
=1:2
时刻A与B的动能之比为
:
=1:8如图是一定质量的理想气体在不同体积时的两条等容线。a、b、c、d表示四个不同的状态,则( )。

氢原子中的电子绕原子核做匀速圆周运动和人造卫星绕地球做匀速圆周运动比较( )。
如图所示,小球A可视为质点,装置静止时轻质细线AB水平,轻质细线AC与竖直方向的夹角θ=37°。已知小球的质量为m,细线AC长
,B点距C点的水平和竖直距离相等。装置
能以任意角速度绕竖直轴
转动,且小球始终在
平面内,那么在ω从零缓慢增大的过程中,( )。(sin37°=0.6,cos37°=0.8)


某物体以30m/s的初速度竖直上抛,不计空气阻力,g取10
。5s内物体的( )。
如图所示,放在水平转台上的小物体C、叠放在水平转台上的小物体A、B能始终随转台一起以角速度ω匀速转动。A、B、C的质量分别为3m、2m和m,A与B、B与转台、C与转台间的动摩擦因数均为μ,B、C离转台中心的距离分别为r和1.5r。已知最大静摩擦力等于滑动摩擦力,重力加速度为g,则以下说法中正确的是( )。



(6分)如图甲所示,一位同学利用光电计时器等器材做“验证机械能守恒定律”的实验。有一直径为d、质量为m的金属小球从A处由静止释放,下落过程中能通过A处正下方、固定于B处的光电门,测得A、B间的距离为H(H>d),光电计时器记录下小球通过光电门的时间为t,当地的重力加速度为g。则:

(1)如图乙所示,用游标卡尺测得小球的直径d=______mm。
(2)小球经过光电门B时的速度表达式为______。
(3)多次改变高度H,重复上述实验,作出
随H的变化图像如图丙所示,当图中已知量
、
和重力加速度g及小球的直径d满足以下表达式______时,可判断小球下落过程中机械能守恒。
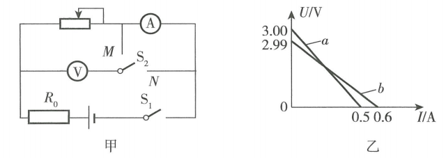
(9分)在测量电源电动势和内阻的试验中,图甲为实验原理图,
为单刀双掷开关,闭合
,当
分别接到M和N时,多次移动滑动变阻器进行实验,记录电压表和电流表的读数U、I,并描绘出U-I图像如图所示,已知
=4Ω,则:

(1)当
接到M时,实验图线为______(填“a”或“b”);
(2)电源电动势E=______V,内阻r=______Ω;
(3)电压表内阻
=______Ω,电流表内阻
=______Ω。
(7分)如图所示,质量为m,电阻为R的单匝矩形线框置于光滑水平面上,矩形线框的短边ab=L,长边ad=2L,虚线MN过ad、bc边的中点。一根能承受最大拉力
的线沿水平方向拴在ab边的中点O处,从某时刻起,在MN右侧加一方向竖直向下的匀强磁场,磁感应强度大小B随时间t的变化的规律为B=kt(k为正常量)。从t=0时刻开始,一段时间后,细线被拉断,线框向左运动,ab边穿出磁场时线框的速度为v,求:

(1)细线断裂前线框的电功率P;
(2)细线断裂的时间
;
(3)0~
及从t=
时刻到线框离开磁场两个过程中通过导线橫截面的电荷量
和
。
(10分)如图所示,水平光滑的地面上停放着一辆质量为M=2kg的小车,小车左端靠在竖直墙壁上,其左侧半径为R=5m的四分之一圆弧轨道AB是光滑的,轨道最低点B与水平轨道BC相切相连,水平轨道BC长为L=3m,物块与水平轨道BC间的摩擦因数μ=0.4,整个轨道处于同一竖直平面内。现将质量为m=1kg的物块(可视为质点)从A点无初速度释放,取重力加速度为g=10
。求:

(1)物块下滑过程中受到的最大支持力;
(2)小车最终获得的速度大小及此过程中产生的热量;
(3)为使小车最终获得的动能最大,求物块释放点与A点的高度差。
(12分)在直角坐标系xOy中,A(-0.3,0)、C是x轴上的两点,P点的坐标为(0,0.3),在第二象限内以D(-0.3,0.3)为圆心,0.3m为半径的一圆形区域内,分布着方向垂直xOy平面向外、磁感应强度大小为B=0.1T的匀强磁场;在第一象限三角形OPC之外的区域,分布着沿y轴负方向的匀强电场。现有大量质量为m=3×
kg、电荷量为q=1×
C的相同粒子,从A点平行xOy平面以相同速率、沿不同方向射向磁场区域,其中沿AD方向射入的粒子恰好从P点进入电场,经电场后恰好通过C点。已知α=37°,不考虑粒子间的相互作用及其重力,求:

(1)粒子的初速度大小和电场强度E的大小;
(2)粒子穿越正半轴的最大坐标。
