如图所示,A、B是位于水平桌面上的两个质量相等的小木块,离墙壁的距离分别为
和
,与桌面之间的滑动摩擦系数分别为
和
。今给A以某一初速度,使之从桌面的右端向左运动。假定A、B之间,B与墙之间的碰撞时间都很短,且碰撞中总动能无损失。若要使木块A最后不从桌面上掉下来,则A的初速度最大不能超过______。

一定量的空气,吸收了
的热量,并保持在
下膨胀,体积从
增加到
,问空气对外做功,它的内能改变了______。
质点的运动方程为
和
,式中
、
的单位为m,t的单位为s,则质点的初速度大小为______m/s,加速度大小为______
。
裂变反应是目前核能利用中常见的反应,以原子核
为燃料的反应堆中,当
俘获一个慢中子后发生的裂变反应可以有多种方式,其中一种可表示为:

反应方程下方的数字为中子及有关原子的静止质量(以原子质量单位u为单位)。已知1u的质量对应的能量为
。此裂变反应释放出的能量约为______
。
质量为
的物体从坐标原点由静止开始沿x轴运动,所受的合力为F=
,则物体在2s内受到的总冲量为______N•s,2s末的速度大小______m/s。
一物体经凸透镜在屏上成一放大的实像。凸透镜主轴沿水平方向。今将凸透镜向上移动少许,则( )。
用220V的正弦交流电通过理想变压器对一负载供电,变压器输出电压是180V,通过负载的电流图像如图所示,则( )。


下图的天平可用来测定磁感应强度。天平的右臂下面挂有一个矩形线圈,宽为
,共N匝,线圈的下部悬在匀强磁场中,磁场方向垂直纸面。当线圈中通有电流
(方向如图)时,在天平左右两端加上质量各为
,
的砝码,天平平衡。当电流反向(大小不变)时,右边再加上质量为m的砝码后,天平重新平衡。由此可知( )。





某质点沿着一半径为8m的圆周运动,其路程与时间的关系为
,其中各量单位均为国际单位,则该质点在t=3s时( )。



“蹦极”运动中,长弹性绳的一端固定,另一端绑在人身上,人从几十米高度落下。将蹦极过程简化为人沿竖直方向的运动,从绳恰好伸直,到人第一次下降至最低点的过程中,下列分析正确的是( )。
利用所学物理知识,可以初步了解常用的公交一卡通(IC卡)的工作原理及相关问题。IC卡内部有一个由电感线圈L和电容C构成的LC振荡电路,公交卡的读卡机(刷卡时“嘀”地响一声的机器)向外发射某一特定频率的电磁波。刷卡时,IC卡内的线圈L中产生感应电流,给电容C充电,达到一定电压后,驱动卡内芯片进行数据处理和传输。下列说法正确的是( )。
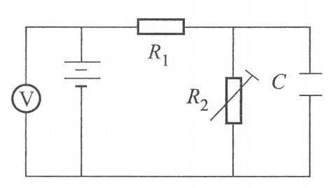
在温控电路中,通过热敏电阻阻值随温度的变化可实现对电路相关物理量的控制。如图所示,
为电阻箱,
为半导体热敏电阻,C为电容器。已知热敏电阻的阻值随温度的升高而减小,则有( )。

固定,当环境温度降低时电压表的示数减小
固定,当环境温度降低时
消耗的功率增大
的阻值增大时,电容器C的电荷量增大
固定,环境温度不变,当电容器C两极板间的距离增大时极板之间的电场强度减小据报道,中俄双方将联合对火星及其卫星“火卫一”进行探测。“火卫一”位于火星赤道正上方。到火星中心的距离为9450km。“火卫一”绕火星1周需7小时39分。若其绕行轨道可认为是圆形轨道。引力常量为G,由以上信息不能确定的是( )。
物理学中有多种研究方法,下列有关研究方法叙述错误的是( )。
如图所示,实线为空气和水的分界面,一束绿光从水中的A点沿
方向(
点在分界面上,图中未画出)射向空气,折射后通过空气中的B点,图中O点为AB连线与分界面的交点,下列说法正确的是( )。

点在O点的右侧
方向射出一束蓝光,则折射光线有可能通过B点正上方的C点如图所示,定滑轮的半径为r,绕转轴的转动惯量为J,滑轮两边分别悬挂质量为
和
的物体A、B。A置于倾角为
的斜面上,它和斜面间的摩擦因数为
,若B向下加速运动时,求:
(1)其下落加速度的大小;
(2)滑轮两边绳子的张力(设绳的质量及伸长均不记,绳与轮滑间无滑动,换轮轴光滑)。

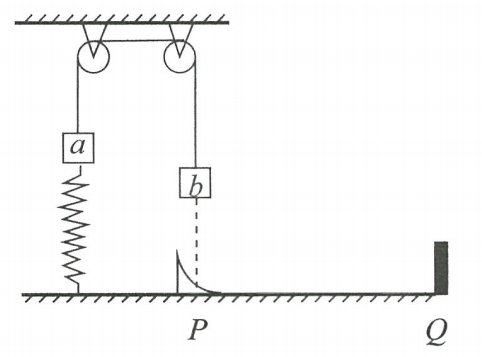
如图所示,质量分别为m、2m的物体a、b通过轻绳和不计摩擦的定滑轮相连,均处于静止状态。a与水平面上固定的劲度系数为k的轻质弹簧相拴连,Q点有一挡板,若有物体与其垂直相撞会以原速率弹回,现剪断a、b间的绳子,a开始上下往复运动。b的正下方有一高度可忽略不计的弧形挡板,能够使得b下落至P点时以原速率水平向右运动,当b静止时,a恰好首次到达最低点,已知PQ长
,重力加速度为g。b距P高h,且仅经过P点一次,b滑动时的动摩擦因数为
,a、b均可看作质点,弹簧在弹性限度范围内,求:
(1)物体a的最大速度及物体a第一次运动到最低点所需的时间;
(2)物体b停止的位置与P点距离。

如图甲所示,在以0为坐标原点的
平面内,存在着范围足够大的电场和磁场。一个带正电的小球在0时刻以
的初速度从O点沿+x方向(水平向右)射入该空间,在
时刻该空间同时加上如图乙所示的电场和磁场,其中电场沿-y方向(竖直向上),场强大小
,磁场垂直
平面向外,磁感应强度大小
。已知小球的质量为m,带电量为q,时间单位为
,当地重力加速度为g,空气阻力不计。求:
(1)12
末小球速度的大小;
(2)在给定的
坐标系中,大体画出小球在0到24
内运动轨迹的示意图;
(3)30
内小球距x轴的最大距离。

