我国将采取有力措施全面推进乡村振兴,巩固脱贫成果。要在守住不发生规模性返贫底线的基础上, 、再接再厉,朝着实现农业农村现代化的目标接续奋斗。
当前,各乡镇纷纷在特色农产品上做文章,但真正能在市场竞争中 的,还是那些品类独特、品质优良的农产品。
风清则气正,气正则心齐,心齐则事成。在以习近平同志为核心的党中央坚强领导下,贵州各地各部门靠着不懈的干劲、韧劲,持之以恒加强党风廉政建设,驰而不息开展反腐败工作。如今,党风政风焕然一新,社风民风持续向好,干群关系更加 、党心民心更加 。
备耕种先行。种子作为春耕时必不可少的农资,数量和质量都至关重要。如今,乡村储备仓库里一袋袋优质早稻种子 ,还会有专业人员定时查看种子情况,确保 。
质量 是产出来的, 是管出来的, 是市场竞争出来的。这就要推动有效市场与有为政府更好结合,共助质量强国建设取得新成效。
农村生态文明建设, 。一是必须加速由高耗能高污染的粗放型农业生产方式向清洁循环的集约型农业发展方式转变,加强农业科技研发与推广应用,建立全产业链绿色化农业发展模式。二是促进农业资源循环利用,积极推进农业清洁生产,提高禽畜养殖废弃物资源化利用。
以下句子填入划横线处,最恰当的是( )。
协调城乡发展旨在让农民平等参与改革发展进程,共同享受改革发展成果,以实现城乡人民共同富裕。协调城乡发展要求深入实施乡村振兴战略,加快推进农业农村现代化:推进以人为核心的新型城镇化,深化户籍制度改革,加快农业转移人口市民化,实现基本公共服务城乡均等。
对这段文字,以下理解最准确的是( )。
烈士纪念设施是讲好英雄烈士故事的重要平台,要在建设好、管理好烈士纪念设施的基础上,将其教育作用发挥好,创新手段发挥其红色教育主阵地功能。比如,在烈士纪念设施的展板和展柜上设置二维码,参观者可以扫码收听烈士事迹及相关介绍;开设烈士纪念设施VR虚拟现实展厅,让网络祭扫者全方位参观烈士纪念设施,等等。
本段文字主要讲的是( )。
对各级领导干部来说,摸清吃透基层情况,了解“第一手”民意,才能扎实开展好各项工作。网络中的群众诉求和建议是社情民意的直观表达,群众反映的问题清单就是党员干部办实事的履职清单。各级干部特别是领导干部要深刻认识互联网在国家管理和社会治理中的作用,不断创新互联网时代群众工作机制,用信息化手段更好地了解社会态势、畅通沟通渠道、辅助决策施政。
这段文字意在强调( )。
队伍建设和人才工作事关高校领导权归属,事关高校发展水平和一流大学建设成效,是一项必须牢牢抓在手里、丝毫不能松懈的基础性、战略性工作。高校加强党的全面领导,必须坚持党管干部和党管人才原则,着力培养忠诚干净担当的高素质干部,着力集聚爱国奉献的各方面优秀人才,团结全校师生员工抓改革、谋发展、开新局、创一流。
下列选项最适合作为这段文字标题的是( )。
中国式现代化是我们党领导全国各族人民在长期探索和实践中历经千辛万苦、付出巨大代价取得的重大成果,党的领导与中国式现代化关系正确的是( )。
①党的领导决定中国式现代化的根本性质
②党的领导确保中国式现代化锚定奋斗目标行稳致远
③党的领导激发建设中国式现代化的强劲动力
④党的领导凝聚建设中国式现代化的磅礴力量
党的二十大报告指出,改革开放和社会主义现代化建设深入推进,书写了( )两大奇迹新篇章,我国发展具备了更为坚实的物质基础、更为完善的制度保证,实现中华民族伟大复兴进入了不可逆转的历史进程。
党的二十大报告指出,分配制度是促进共同富裕的基础性制度。坚持按劳分配为主体、多种分配方式并存,坚持多劳多得,鼓励勤劳致富,促进机会公平,( )。
①增加低收入者收入
②扩大中等收入群体
③减少高收入者收入
④规范收入分配秩序
⑤收紧财富积累渠道
党的二十大报告指出,高质量发展是全面建设社会主义现代化国家的首要任务。发展是党执政兴国的第一要务。下列属于建设现代化产业体系的是( )。
①支持专精特新企业发展
②完善农业支持保护制度
③加快建设西部陆海新通道
④加快发展数字经济
⑤构建优质高效的服务业新体系
习近平主席指出我们要善于通过历史看现实、透过现象看本质,把握好全局和局部、当前和长远、宏观和微观、主要矛盾和次要矛盾、特殊和一般的关系,不断提高战略思维、历史思维、辩证思维、系统思维、创新思维、法治思维、底线思维能力,为前瞻性思考、全局性谋划、整体性推进党和国家各项事业提供科学思想方法,体现了以下哪个观念?( )
党纪国法不能成为“橡皮泥”、“稻草人”,无论是因为“法盲”导致违纪违法,还是故意违规违法,都要受到追究,否则就会形成“破窗效应”。以下哪句与上述理论意思最为一致?( )
新时代十年,我国实行更加积极主动的开放战略,形成更大范围、更宽领域、更深层次的对外开放格局。以下不属于新时代十年对外开放领域成就的是( )。
习近平主席在二〇二三年新年贺词中提到了“太空之家”、白鹤滩水电站、“福建号”、愚公移山,下列与之相关的说法正确的是( )。
高质量发展是全面建设社会主义现代化国家的首要任务。2023年1月28日,广东召开全省高质量发展大会。关于广东的高质量发展,下列表述不正确的是( )。
2022年,广东把稳就业摆在突出位置,抓好重点群体就业。以下不属于广东省推出的就业培训工程的是( )。
“风雨浸衣骨更硬,野菜充饥志越坚;官兵一致同甘苦,革命理想高于天。”该文句最有可能描述的事件是( )。
毛泽东同志说:“我们共产党人从来不隐瞒自己的政治主张。我们的将来纲领或最高纲领,是要将中国推进到社会主义社会和共产主义社会去的,这是确定的和毫无疑义的。”这段话出自( )。
中国共产党很早就认识到农民问题的重要性,早在1923年就在( )成立了中国第一个县级农会组织。
根据《中华人民共和国土地管理法》,以下属于法律所禁止的行为有( )。
①退耕还牧
②围湖造田
③闲置耕地
④耕地取土
根据我国法律,敏感个人信息是一旦泄露或者非法使用,容易导致自然人的人格尊严受到侵害或者人身、财产安全受到危害的个人信息。以下不属于敏感个人信息的是( )。
根据《中华人民共和国乡村振兴促进法》,下列说法错误的是( )。
下列选项不符合《中华人民共和国立法法》表述的是( )。
以下关于我国社会保障体系相关内容的表述,错误的是( )。
以下诗句描写的节气或节日,发生在秋季的是( )。
碳中和是指某个地区在一定时间内,人类活动直接和间接排放的二氧化碳总量,与通过植树造林、工业固碳等吸收的碳总量相互抵消,实现碳“净零排放”,以下不属于实现碳中和的科学手段的是( )。
11,-13,15,-17,19,( )
35,71,53,17,62,( )
1.24,2.48,3.612,4.816,( )
10,3,13,1,14,2,16,5,( )
,
,
,
,( )




某社区计划组建多支社工团队,为此招幕了一批社工。如果每支团队由3名社工组成,则剩余2名社工;如果每支团队由4名社工组成,同样剩余2名社工,则该社区可能招募了( )名社工。
甲、乙两个仓库共存有340吨粮食。如果甲仓库存放的粮食是乙仓库的2倍多10吨,则甲仓库存有粮食( )吨。
某单位共有8名安保队员,并根据序号每天安排2名队员轮流值班:第一天由队员1、2负责值班;第二天由队员3、4负责值班······以此类推。如果队员3今天负责了值班,则他将在( )天后再次负责值班。
某地有4片果园需要施肥。使用1台无人机为4片果园施肥分别需要1.2、1.3、2、2.5小时。如果使用2台无人机,则完成所有施肥任务至少需要( )小时。
某工厂加工出一批正方体奶酪,抽检时质检员从奶酪中切下了一个厚度为2厘米的长方体(如图所示)。如果剩余奶酪的体积为144立方厘米,则奶酪原本的边长为( )厘米。

某单位去年报名参加志愿活动的党员与非党员之比为1∶3。今年的报名总人数提高了20%,党员与非党员之比为1∶2,党员人数比去年多了6人。则今年该单位报名参加志愿活动的党员共有( )人。
某牧场的草,匀速生长。如果20头牛来吃,20天可将草吃光;如果10头牛和10只羊来吃,30天可以恰好吃光。已知一头牛每天的吃草量是一只羊的2倍,则30只羊吃该牧场的草,多少天可以吃光?
某单位共有员工200人,其中订阅杂志的人数比只订阅报纸的人数多88%。则报纸和杂志均未订阅的员工有( )人。
某公司向餐馆订购盒饭,要求每份盒饭包含2种荤菜、2种素菜。如果餐馆共准备了4种荤菜和3种素菜,则最多有( )种盒饭。
小明骑车从甲镇前往乙镇。如果骑车的速度为每小时20千米,那么将准时到达。如果骑车的速度为每小时24千米,那么将提早5分钟到达。则甲镇到乙镇的距离为( )千米。
以下选项能与左侧图形组成一个完整圆形的是:

以下平面图形最可能折叠成左图所示立方体的是:

下到选项最可能与左侧立体图形是同一物体的是:

某物体由两个相同的正三棱柱组合而成,则其侧面轮廓最不可能是( )。

从所给的四个选项中,选择最合适的一个填入问号处,使之呈现一定的规律性:

下列选项最符合所给图形规律的是:

下列选项最符合所给图形规律的是:

下列选项最符合所给图形规律的是:

下列选项最符合所给图形规律的是:

下列选项与框内字符串规律最接近的是( )。

章:节
农作物:农民
鱼∶渔网
风扇:风:电
海底捞月:缘木求鱼
某街道计划将3名男性干部甲、乙、丙和3名女性干部张、李、王下沉至各个社区开展工作,可供选择的社区有A、B、C、D四个。已知:
①每人只能去一个社区。
②凡是有男性去的社区就必须有女性去。
③张去A社区或者B社区,乙去D社区。
如果最终李去了C社区,则下列推论必然正确的是( )。
为推动社区养老服务建设,某社区开设了长者食堂,向社区内符合条件的老年人提供一日三餐。该食堂饭菜价格远低于市场价,且品种多样、味道极佳、分量充足,然而每天到该食堂就餐的老年人数量并不多。
以下各项如果为真,最能解释这一现象的是( )。
分散的农户经营不成规模,已经远远不能适应各个城市群规模化、批量化的农产品需求,也限制了农民收入的提高。如果不解决农户的组织化这个问题,就无法推广农业机械化、规模化,也无法降低农业的经营成本。因此,可以通过推进农户的组织化,让现有的农民实现增产增收。
以下选项如果为真,最能支持上述论断的是( )。
目前,风能技术员是某国受伤率最高的职业之一,从业人员较少。但随着国家能源需求向可再生能源转变,该国将越来越需要从事这样高风险性职业的人才,以保证国家能源的正常供应。由于风能技术人才紧缺,该国此类岗位的薪酬不断提高。对此有专家建议,在加大风能技术人才培养的同时,该国还应积极引进国际风能技术人才。
以下选项如果为真,最能解释这一现象的是( )。
优秀的企业家既要有杰出的领导能力,也必须积极承担相应的社会责任。因此,能运用出色的领导力引领企业发展却不愿承担任何社会责任的人,一定不是优秀的企业家。
以下选项的逻辑结构与题干最为相似的是( )。
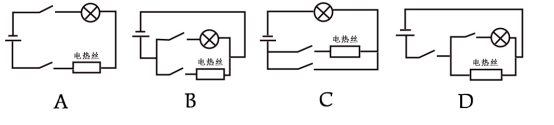
某电热水器设计了两个开关。当水温低于指定温度时,两个开关自动闭合,电热丝将水加热,指示灯亮起;当水温升高到指定温度时,一个开关断开,电热丝停止加热,指示灯仍亮。该电热水器的电路图最有可能是( )。

水平地面上有甲、乙两块由不同材质构成、质地分布均匀的长方体金属块。已知甲的体积>乙的体积,甲的底面积<乙的底面积,甲的质量>乙的质量。则以下判断一定正确的有( )。
①甲的高度>乙的高度
②甲的高度<乙的高度
③甲的密度>乙的密度
④甲的密度<乙的密度
如图,物体M在恒力F的作用下沿粗糙的斜面匀速向上移动。下列说法不准确的是( )。

小李驾驶卡丁车驶过一个半圆形弯道时,滑离了原定赛道,撞到了安全护栏。为了避免卡丁车转弯时滑离赛道,下列做法最可能有效的是( )。
小张观察发现,自家房屋的北面在夏天能够被阳光照射,而在冬天,房屋的南面可以被阳光照射。则他家最有可能位于以下城市中的( )。
以下延长粮食存放时间的措施,最不合理的是( )。
以下现象属于化学变化的是( )。
透过一块纯绿色的玻璃窗观察白墙上写的纯红色大字,最有可能看到( )。
生物能对外界刺激做出反应。反射是指生物通过神经系统,对外界或内部的各种刺激所发生的有规律的反应。下列生命现象,不属于反射的是( )。
目前,我国许多城市已经实现5G网络全覆盖,由于5G基站覆盖范围比4G基站的覆盖范围要小,这就意味着想要覆盖同样的区域,5G网络基站数量要比4G基站多。由此可知,与4G信号相比,5G信号( )。
下图是一束光在空气和玻璃两种不同的介质中传播的路径示意图,则下列说法正确的是( )。

是界面
下方是玻璃介质下图是动物养殖场自动喂水装置的简要示意图。当动物通过饮水口饮水后,水箱内的水位下降,水瓶中的水将自动流入水箱,使水位回到一定的高度。关于这一装置,下列说法正确的是( )。

“庄稼一枝花,全靠肥当家。”以下有关农业种植中肥料使用的说法,错误的是( )。
下图是某物体做直线运动时,其速度v与时间t关系的折线图,则以下说法准确的有( )。

①在
~
,物体匀速运动
②在0~
和
~
,物体做同方向运动
③在
时,物体离出发点距离最远
④在
~
和
~
,物体的加速度方向相反
⑤在
时,物体改变运动方向
甲酸(HCOOH)具有清洁制氢的巨大潜力,其反应前后分子种类变化的微观示意图如下图所示。则下列说法正确的是( )。

下列关于我国家庭用电的说法正确的是( )。
无性繁殖是一种不涉及生殖细胞,不需要经过受精过程,由母体的一部分直接形成新个体的繁殖方式。以下繁殖过程不属于无性繁殖的是( )。
夏日,小王调制了一杯
的蔗糖水,尝了一口后感觉不够甜,又加入了一些蔗糖,搅拌后蔗糖完全溶解。之后他把蔗糖水放入冰箱,一段时间后取出时发现杯子底部有少许晶体析出,则下列说法正确的有( )。
①刚放入冰箱的蔗糖溶液一定不是饱和溶液
②从冰箱中取出的蔗糖溶液一定是饱和溶液
③放入冰箱前后,蔗糖溶液中溶质的质量相等
④用加热蒸发溶剂的方法能够得到与析出晶体相同的物质
大棚种植是一种被广泛采用的农作物种植方式。以下大棚种植的增产做法,有误的是( )。
从北极上空俯视,地球围绕地轴呈逆时针方向自转。如果在北极的地轴正上方有一颗肉眼可见的星星,有一人站在赤道上整晚观察这颗星星。他有可能观察到( )。
①这颗星星东升西落
②这颗星星没有东升西落
③周围的星星以这颗星星为中心呈逆时针方向转动
④周围的星星以这颗星星为中心呈顺时针方向转动


( )广东农林牧渔业总产值首次突破了5000亿元。
2021年广东农林牧渔业总产值约为9年前的( )倍。
2017-2021年间,广东农林牧渔业总产值年均增加约( )亿元。
2021年广东林业产值同比增长率( )。
根据资料,下列说法正确的是( )。
2021年,广东省财政科学技术支出为982.76亿元,占当年全省财政一般公共预算支出的比重为5.4%。其中,省本级财政科学技术支出为102.05亿元,占省本级财政一般公共预算支出的比重为6.6%,同比增加0.84个百分点。珠江三角洲核心区财政科学技术支出845.09亿元,同比增长2.6%。

2021年,广东省财政科学技术支出比上年提高了( )亿元。
2021年,以下经济区域财政科学技术支出同比增长率最高的是( )。
2020年广东省省本级财政科学技术支出( )。
2021年,以下分类科目财政科学技术支出同比增加值最多的是( )。
根据资料,下列说法有误的是( )。
2022年,全国居民人均可支配收入36883元,比上年增长(以下如无特别说明,均为同比名义增长)5.0%。分城乡看,城镇居民人均可支配收入49283元,增长3.9%;农村居民人均可支配收入20133元,增长6.3%。
2022年,全国居民人均消费支出24538元,比上年增长1.8%。分城乡看,城镇居民人均消费支出30391元,增长0.3%;农村居民人均消费支出16632元,增长4.5%。

2021年,全国居民人均可支配收入约为( )万元。
2022年,城镇居民人均可支配收入较消费支出多( )元。
2022年,表中所呈现的农村居民消费支出的类别中,同比增加超过120元的有( )项。
2022年,我国城镇居民与农村居民人数之比最接近( )。
根据资料,下列说法正确的是( )。
