图1所示为某版本初中物理教材中某节课文的内容,该内容的编写意图是( )。

某同学用凸透镜、蜡烛、光屏和光具座等器材做凸透镜成像实验。当蜡烛、凸透镜、光屏在图2所示位置时,光屏上出现了倒立、等大、清晰的像。若将蜡烛移至光具座的20cm处,保持凸透镜位置不变。为了能在光屏上出现清晰的像,下面说法正确的是( )。

公共卫生领域广泛使用红外体温计测量体温、紫外线灯消毒等。关于红外线和紫外线,下列说法正确的是( )。
一质点在
坐标系中的运动学方程是
,
,其中
、
均为常量,该质点运动的速度大小为( )。




如图3所示,空间存在水平向右的匀强电场,无限大金属板面的法线方向与电场方向平行,金属板两表面
、
的电荷面密度大小分别为
、
。下列选项正确的是( )。

带正电,
带负电,且
带正电,
带负电,且
带负电,
带正电,且
带负电,
带正电,且
为了测量某容器的容积,在容器上插入一根两端开口的玻璃管,玻璃管与容器之间密封,玻璃管内部横截面积为
,管内一静止液柱封闭着长度为
的空气柱(可视为理想气体),如图4所示,此时外界的温度为
,将容器浸在温度为
的热水中,液柱静止时下方的空气柱长度变为
。若实验过程中大气压和容器容积均不变,则该容器的容积为( )。





质量为0.5
的小球由高处竖直下落,与地面碰撞后反弹,其速度随时间变化曲线如图5所示,图中3~3.2
为碰撞过程,速度变化曲线未画出,
取10
,关于小球在前5.2
内的运动情况,下列说法正确的是( )。




如图6甲所示,
、
两个绝缘金属环套在同一个光滑铁芯上,处于静止状态。现给
环通以如图乙所示的交流电,下列说法中正确的是( )。

时刻两环相互吸引
时刻两环相互吸引
时刻
环感应电流大小为0
时刻
环感应电流最大物理演示实验教学,通常要求演示与讲解相结合。举例说明课堂上教师如何实现演示与讲解相结合这一要求。
初中物理课程中有很多容易混淆的物理概念,如“功和功率”“温度和热量”等。举例说明教学中应从哪些方面区分容易混淆的物理概念。
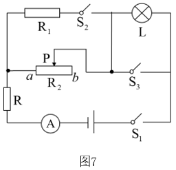
下面是某学生对一道作业题的解答。
题目:
如图7所示,灯泡L标有“6V 0.5A”字样,滑动变阻器
的最大电阻为12
,
。当开关
闭合,
、
断开,滑片
滑动至滑动变阻器
端时,灯泡
恰好正常发光。求:
(1)灯泡L正常发光时的功率和电流;
(2)若用电阻
替换灯泡
,当
、
、
都闭合,滑片
滑至滑动变阻器的中点时,通过电流表的电流。

解:(1)由题可知,正常发光时电流为额定电流,
;
额定功率
。
(2)当
闭合,
、
断开,滑片
滑至滑动变阻器
端时,
、
、
串联接入电路,此时电路电流为
,故


;
当
、
、
都闭合,滑片
滑至滑动变阻器的中点时,
;
此时总电阻

;
故电流表示数为
。
答:(1)灯泡
正常发光时的功率为
,电流为
;
(2)通过电流表的电流为
。
问题:
(1)简述该作业题旨在帮助学生掌握的知识点;(4分)
(2)指出解答中的错误和出错的可能原因;(6分)
(3)设计一个教学片段,帮助学生正确理解和解决此类问题。(10分)
下面为某老师在“大气压强”一节的教学片段。
老师:同学们,上课了,大家看PPT(图8),哪位同学能说说看到了什么?

同学甲:我们都看过,是我国航天员在空间站外工作。
老师;对!这是2021年8月20日,我国神舟十二号航天员在空间站外工作的照片。大家注意到航天员穿着的航天服了吗,有谁能说说航天服有什么作用?
同学乙:航天服能平衡内外压。
同学丙:还可防止宇宙射线。
老师:对!航天服的作用可大了,它凝聚了许多现代科学技术。学习了这节课,我们对航天服的作用还会有更深入的认识。下面我们学习大气压强。老师先做个实验,大家先翻开书本。老师边做实验边讲解(板书如图9所示)。

实验一:将适量开水倒入空铁皮罐材,不盖盖子,用凉水冷却铁皮罐。
实验二:将适量开水倒入空铁皮罐中,盖紧盖子,用凉水冷却铁皮罐。
老师:刚才我们学习了大气压强,了解了标准大气压,还了解了一些大气压在生活中的作用,以及如何运用科学技术改进我们生活的案例。下面结合大气压,我们进一步探讨航天服的作用。
问题:
(1)简述我国航天成就在初中物理教学中的教育价值;(10分)
(2)解释为什么加入适量开水的空铁皮罐将盖子盖紧冷却后会变瘪;(5分)
(3)设计一个教学片段,结合演示实验和大气压强有关数据,说明航天服的作用,体现我国航天成就的教育价值。(15分)
阅读材料,根据要求完成教学设计。
材料
初中物理某教科书关于“力”章节的一个生活情境如图所示。

任务:
(1)这个生活情境可以用于哪个知识点的教学?(4分)
(2)用此图片设计一个教学片段,帮学生理解与该现象相关的物理知识。(8分)
阅读材料,根据要求完成教学设计。
材料一
《义务教育物理课程标准(2011 年版)》关于“比热容”的内容要求为:“通过实验,了解比热容,尝试用比热容说明简单的自然现象”。
材料二
义务教育九年级的某版本教科书“比热容”一节“比较不同物质吸热的情况”的实验如图所示。

材料三
教学对象为义务教育九年级学生,已学过电流的热效应、内能等知识。
任务:
(1)简述什么是比热容。(4分)
(2)根据上述材料,完成“实验:比较水和油吸热的情况”的教学设计,教学设计要求包括:教学目标、教学重点、教学过程等。(24分)
