如图所示,斜面固定,平行于斜面处于压缩状态的轻弹簧一端连接物块A,另一端固定,最初A静止。在A上施加于斜面成
角的恒力F,A仍静止,下列说法正确的是( )。

下列说法正确的是( )。
一束复色光由空气斜射向平行玻璃砖,入射角为
,从另一侧射出时分成
两束单色光,如图,下列说法正确的是( )。

甲、乙两车在同一条直线上行驶,它们运动的位移x随时间t变化的关系如图,已知乙车做匀变速直线运动,其图线与t轴相切于10s处,则下列说法正确的是( )。

处
如图所示,长度不同的两根轻绳
与
,一端分别连接质量为
和
的两个小球,另一端悬于天花板上的同一点O,两小球质量之比


,两小球在同一水平向内做匀速圆周运动,绳
、
与竖直方向的夹角分别为
与
,下列说法正确的有( )

、
的拉力大小比为
、
运动的向心力大小比为
、
运动的向心加速度大小比为
、
运动的线速度大小比为
已知天问一号在椭圆停泊轨道的运行周期为T,火星质量为地球的
,地球自转周期为
,地球同步卫星的轨道半径为r,则此椭圆停泊轨道的半长轴为( )。




如图所示,滑块
的质量均为m。a套在固定竖直杆上,与光滑水平地面相距h,b放在地面上。
可视为质点,重力加速度大小为g,则( )


如图所示,在某静电除尘器产生的电场中,带等量负电荷的两颗微粒只受电场力作用,分别从P点沿虚线pm、pn运动,被吸附到金属圆筒上。下列正确的是( )。

两个质子以不同速度均在匀强磁场中做匀速圆周运动,轨道如图,两圆周相切于A点,过A点作一直线与两圆周交于D点和C点。若两圆周半径为
。下列说法正确的有( )。




两列分别沿x轴正、负方向传播的简谐横波在t=0时刻的波形如图,其中a波振幅为2cm,沿x轴正方向传播;b轴振幅为4cm,沿x轴负方向传播,两列波的传播速度大小均为v=2m/s,则下列正确的是( )。

如图所示,质量m=1Kg的物体从高为h=0.2m的光滑轨道上P点由静止开始下滑,滑到水平传送带上的A点,物体和传送带之间的动摩擦因数为
,传送带A、B之间的距离为L=5m,传送带一直以v=4m/s的速度匀速运动,则(g取10m/s)( )。

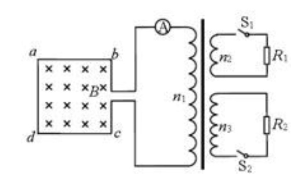
如图所示,一匝数为100匝的固定矩形线圈abcd,其面积为0.01
,线圈所在空间内存在与线圈平面垂直且均匀分布的磁场,磁感应强度随时间变化规律为
。线圈两端接一原副线圈匝数
的理想变压器。断开开关
,闭合开关
时,电流示数为1A;断开
、闭合
时,电流表示数也为1A。已知
,导线电阻不计。则( )。




、
均闭合时,电流表示数为
小明设计了如图所示的实验装置,用来探究物体动能变化与外力做功的关系。不可伸长的轻绳跨过定滑轮将小车P和重物Q连接,和小车相连的细绳与斜面平行,纸袋穿过打点计时器与重物相连。电源频率为50Hz。实验时,进行了如下操作。
①用天平测得小车P质量M=500g,重物Q质量m=100g;
②按图甲组装好器材,并用铜丝做成钩环拉在重物Q上作为配重,不断调整配重的质量,直到小车恰沿斜面匀速下滑时,测得此时配重质量
;
③重物Q不加配重,接通打点计时器,小车由静止释放;
④关闭电源,取下纸袋进行数据处理。
图乙是实验中获取的一条纸带:打下的第一个点标为
,相邻两个计数点之间还有4个点(图中未标出),计数点间的距离如图乙所示,重力加速度取
;(计算结果保留3位有效数字)

在纸带上打下计数点5时的速度
m/s;
在打点0~5过程中系统动能的增加量
,合外力对系统所做的功为
。
在“用双缝干涉测量光的波长”实验中,实验装置如图:
(1)某同学以线状白炽灯为光源,对实验装置进行调节并观察了实验现象后,总结出以下几点:
A.灯丝与单缝和双缝必须平行放置
B.干涉条纹与双缝垂直
C.干涉条纹的疏密程度与单缝宽度有关
D.干涉条纹的间距与光的波长有关
以上几点中,你认为正确的是。
(2)当测量头中的分划板中心刻线对齐某条纹中心时,手轮上的示数如图甲所示,该读数为
。
(3)如果测量头中的分划板中心刻线与干涉条纹不在同一方向上,如图乙所示,则在这种情况下来测量干涉条纹的间距
时,测量值(填大于、小于或等于)实际值。
物理兴趣小组利用图a所示电路进行实验。使用器材有:多用电表、电压表(0~5V)、滑动变阻器、导线若干。

(1)对多用电表进行机械调零后,选择开关拨到“╳1k”档,进行欧姆调零。图a中多用电表的红表笔应和(选“1”或“2”)端相连。
(2)调节滑动变阻器的滑片,当其接入电路的阻值为零时,多用电表和电压表的刻度盘上的指针位置分别如图b、c所示,则电压表读数是V,电压表内阻是
,可以求出多用电表“╳1”档内部电源电动势为V。
(3)用此多用电表测电阻,选择“╳1”档测
的电阻时流过表头的电流为
,选择“╳10”档测
的电阻时流过表头的电流为
,则
。(选择大于、小于或等于)
如图所示,一长为L的平板车静止在光滑水平面上,质量M=0.1kg,车右侧有一光滑固定轨道ABC,水平部分AB与平板车上表面等高,竖直部分BC为半径R=0.08m的半圆,B为两部分的切点。质量m=0.2kg的小物块以一定速度从最左端滑上平板车,到车最右端时恰好与车相对静止,并一起向右移动抵达轨道A端,小物块滑上轨道并恰好通过最高点C,之后直接落在A点,小物块与平板车的动摩擦因数
=0.2,重力加速度g=10
,求:
(1)AB部分长度x;
(2)平板车长度L。
如图所示,水平放置的汽缸内封闭一定质量的气体,活塞的质量m=10kg,横截面积S=100
,活塞可沿汽缸壁无摩擦滑动且不漏气,活塞到汽缸底部的距离
=11cm,到气缸口的距离
=4cm,现将汽缸缓慢地转到开口向上的竖直位置,待稳定后对缸内气体逐渐加热,使活塞上表面刚好与汽缸口相平,已知g=10
,外界气温为27
,大气压强为
,活塞厚度不计,则:
(1)活塞上表面刚好与气缸口相平时缸内气体温度是多少?
(2)在对缸内气体加热过程中,气体膨胀对外做功,同时吸收Q=350J的热量,则气体增加的内能
多大?
如图所示,在x轴上方存在匀强磁场,磁感应强度大小为B,方向垂直于纸面向外;在x轴下方存在匀强电场,电场方向与xOy平面平行,且与x轴成45º夹角,一质量为m,电荷量为q(q>0)的粒子以初速度
从y轴上的P点沿y轴正方向射出,一段时间后进入电场,进入电池时的速度方向与电场方向相反;又经过一段时间
,磁场的方向变为垂直于纸面向里,大小不变,不计重力。
(1)求粒子从P点出发至第一次到达x轴的时间;
(2)若要使粒子能够回到P点,求电场强度的最大值。
如图所示,在磁感应强度大小为B的匀强磁场区域内,与磁场方向垂直的水平面内有两根固定的足够长的平行金属导轨,导轨上面平放着两根导体棒ab和cd,两棒彼此平行,构成矩形回路,导轨间距为L,导体棒质量都为m,电阻都为R,导轨部分电阻可忽略不计。使导体棒可在导轨上无摩擦的滑行,初始时刻ab棒都静止,给cd棒一个向右的初速度
。
(1)求cd棒速度减为0.8
时加速度大小;
(2)从开始运动到最终稳定,求电路中产生的电能;
(3)求两棒之间距离增大量的最大值。

