大气对蓝光的吸收较强,所以天空看起来是蓝色的。( )
一个物体放在水平地面上,物体受到了向上的弹力,是因为地球发生了形变。( )
在完全失重的情况下,气体对容器壁的压强为零。( )
地球的半径为
,同步卫星距离地面的高度大约是
。( )
太阳辐射能量主要来自太阳的内部裂变反应。( )
仅知飞行器绕某星球表面环绕的周期就可以估算该星球的密度。( )
超导体态的两个相互独立的基本属性有零电阻和完全抗磁性。( )
在杨氏双缝干涉实验中,双缝与光屏间距越大,在屏上获得的单色光的干涉条纹间距就越大。( )
设有3个物体A、B、C,它们两两可达到热平衡,若A和B达到热平衡,同时A和C达到热平衡,则B和C也一定可达到热平衡。( )
能量守恒定律是有成立条件的,应用时要先判断机械能是否守恒,而动能定理是没条件的。( )
电场中高斯面上各点的电场强度是由( )。
普通的DVD采用红色激光器作为读写光源,而蓝光光盘(bd-ROm)则采用蓝光激光器,由于读取激光的波长越短,则盘的记录层记录的最小凹坑长度越小,所以蓝光光盘单面最高容量比普通DVD有储量大得多,下列正确( )。
由两个不同光源发出的两束白光,在叠加区域中不会产生干涉现象,因为( )。
在粗糙水平地面上放着一个截面为四分之一的圆弧的柱状物体A,A的左端紧接竖直墙,A于竖直墙之间有放一光滑圆球B,整个装置处于静止状态,若把A向右移动少许,仍处于静止状态,则( )。

如图所示,质量为m的小球用一水平轻弹簧系住,并用倾角60°的光滑木板AB托住,小球恰好处于静止状态,当木板AB突然向下撤离的瞬间,小球的加速度为( )。

g,方向垂直木板向下如图所示的两个斜面,倾角分别为37°和53°。在顶点两个小球A、B以同样大小的初速度分别向左向右水平抛出,小球都会落在斜面上,若不计空气阻力,则A、B两个小球平抛运动时间之比为( )。

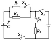
如图所示电路中,开关
,
,
,
均闭合,C是两极板水平放置的平行板容器,板间悬浮一油滴P,断开哪一开关后,P仍保持悬浮状态( )。

①
②
③
④
如图所示电路中,当变阻器
的滑动头P向b端移动时( )。

物理课程的基本理念包括:面向全体学生,提高;从走向物理,从物理走向社会;注重学科渗透,关心;提高教学方式多样化;注重;注重导向,促进学生发展。
完整的科学探究包括7个环节,,,,,,,。
请根据题目要求完成作图。
图示为两束光线经过虚线方框内的透镜发生折射的光路,在方框中画出能完成此光路的透镜。

图示的虚线框内有三个定值电阻,ABCD为四根引线,测得AC间的电阻
,CD间的电阻
,AD间的电阻
,若用导线把BD连接后测得AD之间电阻
,请在方盒内画出电阻连接图,并在图中标出每个电阻值。

如图所示,将质量为m=400g的小球从离地面为h=1.6m的高度水平抛出,抛出时初速度为
,g取
。不记空气阻力。求小球落地时的:
(1)速度大小。
(2)速度方向与水平方向的夹角。

“汽化和液化”是人教版义务教育八年级上册第三章《物态变化》中第二节内容,请为该内容撰写一份教案。写明课题,教学目标,教学重难点,教学方法,教学用具,教学时数,教学过程,教学反思等。
