某小组分别用红、绿两种单色光做双缝干涉实验,通过一双缝干涉装置获得如甲、乙所示的干涉图样。下面说法正确的是( )。

°)穿过平行玻璃砖后,射出的仍为复色光在低空跳伞中,假设质量为m的运动员,由静止开始下落,在打开伞之前受恒定阻力作用,下落加速度为0.6g,在运动员下落力的过程中,下列说法正确的是( )。
下列说法正确的是( )。
一简谐波在均匀介质中沿水平方向直线传播,A、B为介质中的两个质点,其振动图像分别如图甲、乙所示,A、B平衡位置间水平距离x=2m,则( )。

在儿童蹦极中,对称拴在腰间左右两侧是弹性极好的橡皮绳,质量为m的小刚如图所示静止悬挂时,两橡皮绳拉力大小恰好为m,若此时小刚左侧橡皮绳突然断裂,则断裂瞬间小刚加速度为( )。

,与未断裂橡皮绳方向垂直且斜向下
,沿未断裂橡皮绳方向斜向上如图,纸面内有一匀强电场,一带负电小球(不计重力)在恒力F作用下沿图中虚线由A点匀速运动至B点,已知力F与AB间夹角为
,AB间距离为d,小球带电量大小为q,下列说法正确的是( )。





为研究光电效应中光电流大小与照射光的强弱、频率等物理量的关系,设计如图甲所示的电路,图中A、K两极间的电压大小可调,电源的正负极也可以对调,实验中分别用abc三束单色光照射K极板,调节A、K之间的电压U,得到光电流I与电压U的关系图如图乙所示,由图可知( )。

增大如图所示电路中,
为热敏电阻(当温度升高,
减小),
和
为定值电阻。当S闭合后,若温度下降,则( )。

电流增加
电流减小
两端电压不变为估算水池中睡莲叶面承受雨滴撞击产生的平均压强,小兵在雨天将一圆柱形水杯置于露台,测得1h内水杯中水位上升36mm,查询得知,当时雨滴竖直下落至地面的速度为6m/s,据此计算该压强约为(设撞击无反弹,雨滴重力忽略不计,雨滴密度为
)( )。
4个完全相同的排球在水平地面上叠放成锥形,如右图,球质量为m,均互相接触且处于静止状态,则( )。



某环保小组为监测某化工厂的含有离子的污水排放情况,技术人员在排污管中安装了监测装置,该装置的核心部分是一个用绝缘材料支撑的空腔,如图所示,其宽和高分别为b和c,左右两端开口与排污管相连,如图所示。在垂直于上、下底面方向加磁感应强度大小为B的匀强磁场,在空腔前、后两个侧面上各有长为a的相互平行且正对的电极M和N,M和N与内阻为R的电流表相连。污水从左向右流经该装置时,电流表将显示出污水排放情况。下列说法中错误的是( )。

测验的信度用同一组考生测验成绩的稳定性程度来表示,估计信度的方法很多,其中通过以等值的两个测验在同一时间内测量同一批考生的估计信度的方法叫作( )。
《义务教育物理课程标准(2011年版)》中,将科学探究能力的基本要求列入“课程内容”。下列对科学探究能力的基本要求中,哪一选项不是“评估”所要求的?( )
中学物理实验中常采用很多实验方法,如把微弱信号变为可测信号,从而完成物理实验,这种方法是( )。
《物理》教科书选修3-4的选修内容是( )。
(4分)一个不可伸长的轻绳上端固定,下端系一小球,忽略空气阻力,现设法让小球在水平面内以大小恒定的速率做圆周运动,轻绳所掠过的面为圆锥面,这种模型叫圆锥摆。某兴趣小组计划用圆锥摆模型测当地重力加速度g的大小。

(1)甲同学认为实验中需要测量轻绳的长度和小球的直径。他在测量小球直径时,游标卡尺的读数如图所示,则小球的直径为______cm。
(2)乙同学认为可以不用测量轻绳的长度和小球的直径。他设法测出了悬点O到摆球做圆周运动水平面的高度h,他还必须测量的物理量有______(填选项号)。
A.小球的质量
B.小球运动一周所需的时间T
C.小球摆动过程中轻绳与竖直方向的夹角
(3)根据乙同学的思路,请你写出测定重力加速度g的计算表达式______(用测得的物理量的符号表示)。
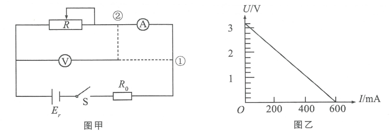
(10分)锂电池是目前相同体积下电容量最大的电池,广泛用于数码相机、手机、笔记本电脑等电子产品中。某同学想利用下列器材测定锂电池的电动势和内阻,已知该锂电池的电动势约为3V。

A.量程是
,内阻约为
的电流表;
B.量程是3v,内阻是6
的电压表;
C.量程是15v,内阻是30
的电压表;
D.阻值为0-1
,额定电流为0.5A的滑动变阻器
;
E.阻值为0-10
,额定电流为2A的滑动变阻器
;
F.定值电阻4
,额定功率4W;
G.电键一个,导线若干。
(1)为减小实验误差,电压表应选择______(填器材代号),图甲中的导线应连接到处______(填“①”或“②”)。改变滑动变阻器阻值的时候,为使电压表和电流表的读数变化较为明显,滑动变阻器应选择______(填器材代号)。
(2)用图甲中的实验电路进行测量,读出的电压表和电流表的读数画出对应的U—I图,如图乙所示,由图中线可以得到锂电池的电动势E=______V,内阻r=______
(结果保留两位有效数字)。
(6分)在地球表面附近高度处静止释放一小球,经过时间t小球落回地球表面,如宇航员在某星球表面附近从相同的高度以一定的初速度水平抛出同一小球,经过时间2t小球落回该星球表面。(取地球表面重力加速度g=10m/
,空气阻力不计)
(1)求该星球表面附近的重力加速度
;
(2)已知该星球的半径与地球的半径之比
,求该星球的质量与地球质量之比
。
(9分)如图所不,光滑水平面上有一质量M=4.0kg的平板小车,小车的上表面右侧是一段长L=1.5m的粗糙水平轨道,水平轨道左侧连一半径R=0.25m的四分之一光滑圆弧轨道,圆弧轨道与水平轨道在
点相切。现小车与一质量m=0.1kg的小物块(可视为质点)一起以某一初速度
向左运动,小物块与水平轨道间的动摩擦因数
。小车与固定墙面发生弹性碰撞,随后,小物块恰能到达圆弧轨道的最高点人。取g=10m/
,求:

(1)平板小车与固定墙面碰撞前与小物块一起运动的初速度
的大小;
(2)小物块与小车最终相对静止时,它距点
的距离。
(10分)如图所示,螺线管与足够长的平行金属导轨MN、PQ相连并固定在同一个水平面内,管内有水平向外的均匀变化的磁场(磁场方向垂直于导轨),螺线管横截面积为S,线圈匝数为N,线圈电阻为R1。两导轨间距为L(导轨电阻忽略不计)。右侧平滑连接一对弯曲的光滑导轨,水平导轨处于水平面向下,磁感应强度为
的匀速磁场中,金属棒ab垂直导轨放置,棒与导轨接触良好。金属棒到达最大速度后离开磁场。设金属棒在弯曲轨道上升的最大高度为人,已知金属棒ab的质量为m,电阻为
,与水平导轨间的动摩擦因数为
,重力加速度为g,回路中的感应电流产生的磁场不考虑,空气阻力不计。求:

(1)金属棒运动的最大速率
;
(2)ab恰好保持静止时,螺线管内磁场的磁感应强度B的变化率
。
(11分)如图所示为一个被放入非均匀变化磁场B中的矩形回路,磁场垂直指向页面内,大小为
,B的单位为特斯拉,t的单位是s,x的单位为m。当回路宽度d=3.0m,高度h=4.0m,当t=0.1时,则矩形回路所感应的电动势
的大小和方向如何?

(4分)教学过程是体现课程理念、实现课程目标的一种创造过程,请简述《普通高中物理课程标准(实验)》中提出的教学建议。
(5分)简述在物理课堂教学中引入一个新的物理概念常用的方法。
【摘录】
首先,教师通过抛球小游戏,提出问题:怎样才能留住它的轨迹呢?进而归纳引出研究方法——留迹法。
实验探究
(1)设计实验方案
教师指导学生阅读教材,同时提出具体问题:研究对象是谁?怎样保证物体做平抛运动?如何利用你手边的实验器材描绘出平抛运动的轨迹呢?怎么样确定抛出点?怎样确定其他点的空间位置呢?
学生分组讨论。
教师组织小组代表发言,师生共同归纳制订方案一。
【方案一】描迹法——平抛运动演示仪。实验前,调整金属板保持竖直,调节斜槽末端保持水平。将小球从同一高度位置从静止多次释放,这样可以保证每次实验轨迹是近似相同的,在抛出前应该先确定小球抛出点位置在斜槽末端上方球心处,在白纸上画出坐标轴,调节水平槽的高度,使小球每次下落到槽中的白纸上(复写纸夹在白纸和金属板中间)留下点迹,将这些点拟合成平滑曲线即得到轨迹。
教师组织小组代表发言,师生共同归纳制订方案二。
【方案二】喷水法
在装满水的饮料瓶侧壁扎个小孔,打开瓶盖,水流在压力作用下沿胶片前面水平抛出。观察透明胶片背面水流的运动,并在透明的胶片背面画出坐标轴,标记水流抛出点,同时用水彩笔在胶片背面上描绘出水流的轨迹。
教师组织小组代表发言,师生共同归纳方案三。(方案三略)
(2)学生分组实验探究
教师活动:组织分组实验,巡视,解答问题……
学生活动:交流讨论实验方案,分组实验,动手描绘运动轨迹……
(3)汇报实验结果
(4)处理实验数据
判断平抛运动轨迹是否为抛物线,利用轨迹研究平抛运动初速度……
(教学内容为人民教育出版社《高中物理课程标准实验教科书(必修)》第五章第三节)
(5分)下面是某位老师的《实验研究平抛运动》一节的课堂教学片段的摘录,请你阅读分析后回答问题。
(1)该摘录中没有归纳实验方案三,请根据你的实际教学经验设计方案三(写出实验方法及相关实验操作注意事项)。
(2)该教师的课程实施着重体现了《普通高中物理课程标准(实验)》中的哪些课程理念?(写出一条即可)
(3)请你分析该授课的教师关于“喷水法”研究平抛运动的优缺点。


(11分)阅读以下材料,撰写一份教学设计。具体包括:
(1)写出教学目标、教学重难点、教学过程、教学板书设计。
(2)教学授课时间为20分钟。
