某高中物理教科书中一节内容,有如图1所示的问题情境,其目的是引导学生学习( )。

如图2所示,上述
、
分别从
和
的高度同时抛出后落地,上述过程中
或
的水平位移分别为
和
。若忽略空气阻力,下列说法正确的是( )。

和
运动时间相等
和
位移大小相等
的初速度大小是
的2倍
和
的末速度大小相等图3是甲、乙两实心物体的质量
和体积
的图像,若将甲、乙放入足够深的水中,关于它们静止时所受浮力的大小,下列判断正确的是( )。





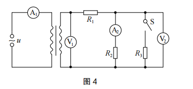
某理想变压器原、副线圈所接电路图如图4所示,其中
,
,电压表和电流表均可视为理想电表,闭合开关
后,下列说法正确的是( )。

的示数变大
的示数不变
的示数变大
的示数不变如图5所示,边长为
的正方形四角顶点有带电量为
和
的点电荷,该正方形中心位置的电场强度大小为( )。





一定质量的理想气体从状态
经状态
变化到状态
,其
图像如图6所示,则从状态A变化到状态C的过程中( )。

的热量
的热量
的热量
的热量下列与原子核相关的知识,表述正确的是( )。
衰变现象说明电子是原子核的组成部分光电管是一种利用光照射产生电流的装置,当入射的光子能量为
时,逸出光电子的最大初动能为
,若入射光子的能量为
时,逸出光电子的最大初动能为( )。




在杨氏双缝干涉实验中,用波长为
的单色光作为光源,光源到双缝的距离相等,中央亮条纹在在光屏处的
点处,设双缝到观察屏的距离为
,双缝的间距为d,
,光屏上
点到
点的距离为
,若在缝
的后面放置折射率为
,厚度为
的薄玻璃片,光线可近似看作垂直穿过薄玻璃片,如图7所示。求:

(1)未放置玻璃片时,光源到
点处的光程差;(5分)
(2)放置玻璃片后,光源到
点处的光程差;(5分)
(3)放置玻璃片后,若发现中央亮纹恰好移动到了
点处,玻璃片的厚度
应满足的条件;(5分)
(4)放置玻璃片后,相邻两亮条纹的间距。(5分)
某教师想了解学生对磁场力、电场力的掌握情况,于是设计了若干检测题,其中一道计算题及学生的解答如下:
题目:如图 8 所示,空间有水平向右的匀强电场和垂直于纸面向外的匀强磁场,质量为m、带电量为+q的滑块沿电场线方向做匀速直线运动,滑块和水平面间的动摩擦因数为
,滑块与墙碰撞后返回的速度大小为原来的一半,滑块返回时,去掉电场,恰好也做匀速直线运动,求原来电场强度的大小。

解:碰撞前粒子做匀速直线运动,所受合力为
,
①
返回时,没有电场力作用,粒子仍做直线匀速运动。
所以,摩擦力
,
由
,得
,
因此竖直方向上
②,
①②两式联立得
。
(1)写出该同学解答中的错误,学生产生错误可能的原因(10分)
(2)设计一个教学片段,帮助学生理解相关知识(10分)
案例:
下面是实习教**高中物理“弹力”一节课,以及指导教师和实习教师讨论的片段:
实习教师:同学们,刚才我们学习了胡克定律,知道弹簧发生弹性形变时,弹力的大小
跟弹簧伸长的长度
成正比,即:
,哪位同学知道这个规律是怎样得到的?
学生:是英国科学家胡克通过实验研究得到的。
实习教师:同学们想知道胡克是如何做的吗?
学生:想!
实习教师:好。下面老师给大家****弹簧弹力大小与弹簧伸长量关系的实验方法,大家看黑板(图9)(实习教师一边板书一边讲。)
实习教师:铁架台上挂有*****尺弹簧下端固定有箭头实验时,在弹簧下端分别悬挂不同质量的钩码,挂一个钩码,记下勾码的质量以及箭头所指刻度尺的刻度,将记录下来的数据,以横轴为钩码所受的重力,纵轴为***刻度尺的刻度值,作图,通过实验发现,弹簧受力与弹簧伸长量的关系是一条直线,求出直线的斜率就得到了弹簧的劲度系数,同学们知道怎么做了吗?
指导教师:这节课大家下去****一下,如何将该资源融入到教学中去。
(1)写出上述教学片段中***错误
(2)写出《天工开物》一书中记载**“弓力”过程所涉及得物理规律(9分)
(3)简述该**得教育价值
材料:
图9所示为某高中物理教科书“运动的描述”的一副
图像

(1)这个图像表示物体在做什么运动?(4 分)
(2)用此图像设计一个教学片段,帮助学生掌握利用该图像得出实验结论的方法。(8 分)
阅读材料,根据要求完成教学设计。
材料一:《普通高中物理课程标准(2017 年版 2020 年修订)》关于“电场线”的内容要求为“会用电场线描述电场”。
材料二:某高中物理教科书“电场线”一节的部分内容如图 10 所示。

材料三:教学对象为普通高中的学生,已学过电场、电场强度等概念。
(1)简述电场线的特点(4分)
(2)根据上述材料,完成“实验:模拟电场线”的教学设计。(教学设计包括教学目的、教学重点、教学过程)。(24分)
