某初中物理教科书想想议议栏目,设置了如图1所示内容,认真分析其配图及文字说明,可知教材设置该内容是为了帮助学生学习( )。

图2是甲、乙两实心物体质量
和体积
关系图像,若将甲、乙放入足够深的水中,关于它们静止时所受浮力的大小,下列判断正确的是( )。

如图3所示,物体
紧贴圆筒内壁,随圆筒一起绕竖直中心轴
转动,已知圆筒半径为
,物体与圆筒间的动摩擦因数为
,为使物体
不下落,圆筒转动角速度至少为( )。





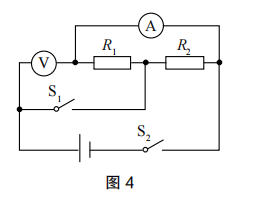
如图4所示的电路中,电源电压保持不变,
,开关
、
都闭合时,电流表的示数为
,将电压表、电流表的位置互换,当开关
断开、
闭合时,电流表的示数
,则下列说法正确的是( )。

,电压表的示数为
,电压表的示数为
,电压表的示数为
,电压表的示数为
如图5所示,有一面积为
,板间距为
的平行板电容器,充电后保持电量
不变,将一块厚度为
,面积为
的金属板平行于两极板插入、边缘对齐,忽略金属板对电容的影响,金属板插入前后,关于电容器的电容和储能变化,下列说法正确的是( )。

,储能增加
,储能减小
,储能增加
,储能减小
如图6所示,所示,一定质量的理想气体从状态
开始,经历两个过程,先后达到状态
和
,下列关于
和
三个状态,
、
和
的关系正确的是( )。

,
,
,
,
图7为氢原子能级示意图,现有大量氢原子处于
的能量状态,下列说法中正确的是( )。

能级跃迁到
能级,需要放出
的能量
能级的氢原子,电离至少需要吸收
的能量关于物理的实验,下列表述错误的是( )。
初中物理实验:准备、操作和总结,简述这三个阶段学生需要完成的任务。
三峡水电站是当今世界上最大的水力发电站,图8是某初中物理教材中给出的素材,是图片教学资源。除了三峡水电站之外,当今我国在世界科技领域有影响的成果还有很多,写出其中三个成果,并简述该类教学资源的教育价值。

案例:
下面为一道物理习题和某同学的解答。
题目:
如图9所示,某人用滑轮组匀速提升重为
的物体,在这个过程中,人的双脚与水平地面的接触面积是
,人对水平地面的压强为
。已知滑轮组的机械效率是
,求:
(1)人对绳子的拉力是多大?
(2)人所受到的重力是多大?

解:(1)已知机械效率
,
,设人的拉力为
,重物上升高度为
,由
,得
,
。
(2)设人的重力为
,由压强公式得:
。
答:(1)人对绳子的拉力是
;(2)人所受到的重力是
。
(1)写出练习题旨在帮助学生掌握的物理知识。(4分)
(2)写出解答中的错误和出错的可能原因。(6分)
(3)针对解答中的错误,设计一个教学片段,帮助学生正确分析和解决此类问题。(10分)
案例:
下面是动手制作小电动机的教学片段。
师:同学们,上节课我们学习了磁场对电流的作用,知道了电动机的结构,这课我们一起动手制作个小电动机,好吗?
同:好!
师:每位同学的桌子上都有磁铁、线圈、回形针、纸板、小刀、胶带,大家先将两个回形针折成图a状,再用胶带固定在纸板上,如图b。
师:大家先不要刮去漆包线上的漆,把线圈放在回形针上,接下来讨论怎么使电动机转起来。
甲:将线圈两端引线的漆刮掉。接通电源,将磁铁放在线圈的下方。如图c。
师:大家先讨论一下,这样可以使电动机转起来吗?
(大家讨论)
师:甲同学,你提出的方案你试试。(试验了一下,线圈摆动了一会儿就停了)
师:看来甲的方案不可行,还有其他的方案吗?
乙:线圈两端引线同侧各刮半边漆。
师:给个理由。
乙:我也不知道,书上说的。
(还是无人做声。)
师:大家听老师的分析。(教师分析)分析后,大家动手试试。
丙:将线圈引线一端的漆刮了,另一端刮半边漆,线圈可以转动。
师:好,丙同学能解释下为什么吗?
丙:我不清楚。
师:同学们,讨论一下这个问题。

(1)对该教学片段的优点给予评述。(5分)
(2)说明为什么甲同学的线圈摆动停止了。(10分)
(3)说明为什么丙同学的方案中线圈可以转动。(15分)
材料
初中物理某教科书关于“密度”一节的一组气体密度数据如图11所示:

(1)为什么数据上要强调条件“
,标准大气压”?(4分)
(2)选择利用一部分数据设计一个教学片段,帮助学生理解气体密度的应用。(8分)
材料一
《义务教育物理课程标准(2011年版)》关于“电磁能”的内容标准为:知道电压、电流和电阻,通过实验探究电流与电压、电阻的关系,理解欧姆定律。
材料二
在初中物理某教科书“电流和电路”一节中,有关电流方向的内容如图12所示。

材料三
教学对象为九年级学生,已学过电荷、电流的定义等知识。
任务:
(1)电流的方向是怎么规定的?(4分)
(2)根据上述材料,完成实验:电流的方向。设计教学方案,要求包含教学目标、教学重点、教学过程(要求有教学环节、教学活动、设计意图等)(24分)
